产品展示

SZ-206F/SZ-126F/SZ-256F

产品描述

◆ 全新设计的机座,借助有限元分析(FEA)进行优化设计,在满足高刚性、高精密加工的同时,在吸收振动、减少共振方面效果明显

◆ 各移动支撑件坚持轻量化的设计原则,在轻量化的同时,实现高刚度与高刚度质量比,以提高机床的动态响应,实现节能省材

◆主轴侧刀具标准配置:6X□12车刀/5XER16侧面动力刀具/5XER16端面固定刀具,灵活多样的刀具配置,为加工复杂零件提供可能

◆ 背轴侧刀具配置丰富:2X□12车刀,端面3XER16固定刀具+3XER16动力刀具,侧面3XER16动力刀具,模块化刀具布局,背轴侧具备完全的车铣复合加工能力,最大化优化加工工艺,缩短加工节拍,多重同时加工,高效生产

◆采用电机驱动旋转导套结构,实现高速、高精度加工,有导套与无导套灵活切换

◆内藏式油冷电主轴,结构紧凑、重量轻、惯性小、噪声低、响应快、易于实现定位

应用领域:5G/智能家电/电动工具/渔具/消费电子/医疗器械/新能源汽车/国防军工等行业。

咨询热线:0755-88886666


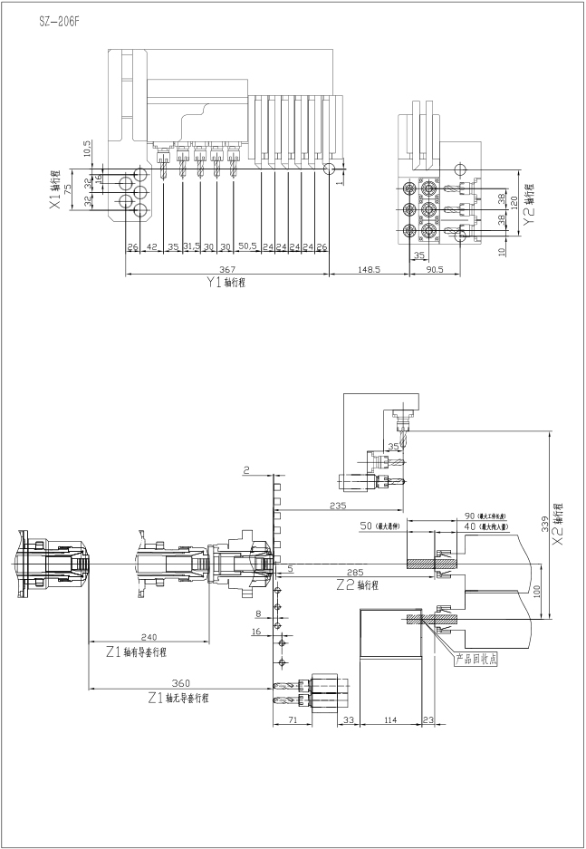
SZ-206F 刀具图

image.png


刀具布局


刀具布局.jpg

后端刀具布局


后端刀具布局.jpg

整体刀具布局


整体刀具布局.jpg

刀具简图正面刀具行程图


刀具简图正面刀具行程图.jpg


型号 SZ-126F SZ-206F SZ-256F
NC装置  日本三菱 M80
电源  200AVC
机床额定功率  Kw 11
加工范围 最大加工直径 mm∅12 ∅ 20∅25
主轴最大夹持直径 mm∅12 ∅ 20∅25
最大一次送料长度 mm 240
主/背轴 主轴功率 Kw 2.2/3.7
背轴功率 Kw 1.5/2.2
主轴最大通孔直径 mm∅13 ∅ 27
主轴最大钻孔深度mm5050
C轴分度 ° 0.001
主/背轴转速 rpm 主轴:2900/9790
背轴:3870/11800
背轴最大夹持直径 mm∅ 13 ∅ 20∅ 25
背轴最大通孔直径 mm∅ 13 ∅ 27
主轴最大行程 有导套  mm 240
无导套  mm2.5D
最大刀具安装数量  pcs 26

主轴刀具
①车削刀具  数量×型号  6X□12
②侧铣刀具 数量×型号 2XER16+3XER115XER16
钻孔直径  mm∅ 10/∅ 8 ∅ 10
螺纹加工(攻丝/板牙)M8/M6 M6
动力头转速  rpm Max 5000
动力头功率  Kw1
③端面固定刀具 数量×型号  5XER16
钻孔直径  mm ∅ 10
螺纹加工(攻丝/板牙) M8
背轴刀具 ⑥端面固定 数量×型号 4×ER16
钻孔直径  mm Max φ10
螺纹加工(攻丝/板牙) Max M8
 动力刀具 端面 数量×型号  3×ER16
钻孔直径  mm Max φ10
螺纹加工(攻丝/板牙) Max M6
端面&侧铣 动力头转速  rpm Max 5000
动力头功率  Kw 1
侧铣 数量×型号 3×ER16
钻孔直径  mm Max φ10
螺纹加工(攻丝/板牙) Max M6
④车刀 4X□12
快速进给速度  m/min 30(Z1/Z2/X2/Y1)24(X1Y2)
进给电机功率
Kw1(Z1/Z2/X1/X2/Y1/Y2)
切削油泵功率  Kw 0.4
主/背轴冷却油泵功率  Kw 0.7
润滑油泵功率  Kw 0.035
接料盒最大接料长度  mm 80
主轴高度(主/背轴距离床身最底部) mm 1018
切削油箱体积  L160
净重  Kg 2800
外形尺寸(长mm×宽mm×高mm) mm 2363X1402X1918

备注:以上电机参数为日本三菱M80配置参数大小,如需咨询其他系统配置请与我司电话联系索取。


硕方精密机械优势
  • 高效的自主研发团队

    硕方拥有一支高水平的研发团队,在国内率先研发出走心机用电主轴系列,并取得多项发明及专利,从而打破国外垄断,并逐步取代进口的同类产品

  • 先进的加工设备

    “工欲善其事,必先利其器”。硕方拥有精密的智能化加工母机,确保产品的零部件具备高精度。分别是:三菱五面体加工中心、大隈卧式加工中心、大隈立式加工中心、哈斯立式加工中心、建德平面磨床等先进的加工母机

  • 严谨的制造过程

    为保证产品装配过程的质量,硕方实行标准化的制造,将产品过程检验纳入工序过程。
    为保证产品装配及加工精度的稳定性、一致性,我司所有生产、装配车间均为恒温恒湿环境。

  • 卓越的生产工艺

    为确保每一台硕方机床达到最高精度标准、稳定性以及精度保持性,从床身结构件铸造、铸件热时效处理、零部件高精密加工、关键部位高频淬火,到装配前关键零件高清洁度清洗,精密组件无尘装配,均采用先进的生产工艺,以使机床呈现卓越的性能表现。

  • 高精密检测仪器

    硕方制定并严苛执行质量管控标准,45个检测项目,632个品质管控要点,48小时高速全行程载荷加工测试。采用全球顶级精密检测设备,确保机床所有细节的精准控制

  • 全面的服务体系

    秉承“一切为了客户”的经营理念,售后服务部始终贯彻快速响应、及时处理、彻底解决的服务宗旨!